华洋首页
产品展示
新闻动态
联系我们
首页
产品中心
机床润滑系列
管夹
发布日期:2016-04-06
产品名称:
管夹
产品型号:
HY8318.19
产品材质:
表面处理:
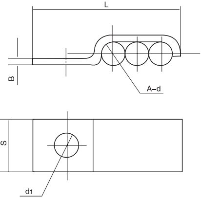
参数尺寸
产品编号
主要尺寸
铁
d
d₁
L
B
S
A
HY8318.19\4x1(2 、3)
4
5.5
18、22、26
1.5
10
1、2、3
HY8318.19\6x1(2 、3)
6
5.5
20、25、30
1.5
10
1、2、3
上一篇
下一篇
地址:浙江省象山县鹤浦镇蟹厂村 电话:0086-574-65010069 0086-574-65012388 传真:0086-574-65010213
浙ICP备11009222号-1
关于我们
华洋简介
荣誉证书
企业文化
产品中心
手轮系列
一般手柄
紧固手柄
摇动手柄
把手系列
拉手系列
位置调节指示器
综合系列
机床润滑系列
新闻动态
行业资讯
新品发布
技术知识
联系我们